Inverting Op-Amp Resistor Calculator
The Inverting Op Amp Resistor Calculator is a practical tool for analyzing operational amplifier inverting circuits. By entering parameters such as the desired gain, output voltage (Vout), R1 resistance, and the input voltages V1, V2, Vp, and Vn, the calculator automatically determines the required resistor values (R2, R3, and R4). Simply input the values and click “Calculate” to quickly design and verify inverting op amp configurations.

Introduction
Op-Amp Inverting Amplifier Circuit Design & Calculator Guide
1. OP AMP Resistor Calculator Overview
The OP AMP Resistor Calculator is a professional design tool used to determine the correct resistor values (R2, R3, and R4) for an inverting operational amplifier circuit.
To use this tool effectively, you typically need to define the following input parameters:
- Gain: The desired amplification factor.
- R1: The input resistance value (typically in ).
- Voltages: (Output Voltage), (Positive Power Supply), (Negative Power Supply), etc.
This tool simplifies the design process by automatically computing the feedback and stabilization resistors needed to achieve specific gain and bandwidth targets.
2. What is an Inverting Op-Amp?
The Inverting Amplifier is one of the most fundamental and widely used operational amplifier circuits. It is simple to construct, requiring only a few discrete components.
Key Characteristic: As the name suggests, the output voltage signal is inverted relative to the input voltage signal. This means there is a phase shift between input and output.
- If the input is positive, the output is negative.
- If the input is negative, the output is positive.
Formula
The voltage gain () of an inverting amplifier is determined by the ratio of the feedback resistor () to the input resistor ():
3. Inverting vs. Non-Inverting Op-Amp
Below is a visual comparison of the two most common amplifier configurations.

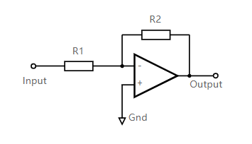
3.1 Inverting Amplifier Configuration

How it works: In this configuration, the Non-Inverting Input (+) is connected directly to the ground. The input signal is applied to the Inverting Input (-) through a resistor ().
The Concept of "Virtual Ground":
- Because the open-loop gain of an ideal op-amp is infinite, the voltage difference between the two input terminals ( and ) is assumed to be zero.
- Since the Non-Inverting terminal is grounded (), the Inverting terminal is also maintained at virtually . This is known as a Virtual Ground.
- This feature makes the analysis of the circuit straightforward, as the current flowing through the input resistor must equal the current flowing through the feedback resistor (since no current flows into the op-amp inputs).
3.2 Non-Inverting Amplifier Configuration
How it works: In a Non-Inverting Amplifier, the input signal is applied directly to the Non-Inverting Input (+). The feedback comes from the output to the Inverting Input (-).
Key Differences:
- Phase: The output is in phase with the input ( shift).
- Input Impedance: This configuration offers very high input impedance because the signal goes directly into the op-amp gate, making it ideal for interfacing with high-impedance sensors.
- Gain Formula: Unlike the inverting configuration, the gain here is always greater than or equal to 1.
4. Related Calculation Tools
Here are other essential calculators often used alongside Op-Amp design:
- LED Series Resistor Calculator: Used to calculate the necessary resistance value to protect LEDs in a series circuit.
- Resistor Color Code Calculator: Quickly identifies the tolerance and resistance values for 4, 5, and 6-band through-hole resistors.
- SMD Resistor Code Calculator: Decodes the 3 or 4-digit markings found on Surface Mount Device (SMD) resistors.
- Parallel and Series Resistor Calculator: Computes the total equivalent resistance for complex resistor networks connected in series or parallel.
Frequently Asked Questions
What input parameters are required for calculating R2, R3, and R4?
You need to input the desired gain (negative value), R1 resistance (in kΩ), output voltage (Vout), power supply voltages (Vp and Vn), and optional offset voltage V2.
How are R2, R3, and R4 calculated in the inverting amplifier circuit?
R2 is derived from the gain formula: R2 = |Gain| × R1. R3 and R4 (optional bias resistors) balance input bias currents. If no offset is required (V2 = 0), R3 and R4 are typically omitted or set to match R1||R2.
Why might my calculated Vout exceed the allowed range?
The output voltage Vout must stay within the op-amp’s supply rails (Vn ≤ Vout ≤ Vp). If your input gain or R1/R2 ratio forces Vout beyond these limits, the result will be invalid (clipped). Adjust your parameters accordingly.
What is the purpose of R3 and R4 in the circuit?
R3 and R4 (if used) minimize errors from input bias currents. They are often set to R3 = R4 = R1 || R2 (parallel combination of R1 and R2) to balance the input impedance. If no offset is needed, these resistors can be omitted.
Can this calculator handle non-inverting or differential amplifier designs?
No, this tool is specific to inverting op-amp circuits. For non-inverting, differential, or other configurations, use a dedicated calculator tailored to those topologies.
Hot SKU
Related Tools
Resistor Color Code Calculator
AIChipLink’s Resistor Color Code Calculator is an interactive tool for identifying resistor values based on 4-band, 5-band, and 6-band color codes. Simply select the colors, and the calculator will display the resistance in Ohms (Ω), tolerance, and power rating. Whether you are building a circuit, repairing electronics, or sorting resistors in your lab, this calculator provides an accurate and efficient way to decode resistor values.
Ohms Law Calculator
AIChipLink’s Ohm’s Law Calculator helps engineers and students quickly calculate resistance, current, voltage, and power in an electrical circuit. Simply enter any two known values, and the calculator will instantly compute the remaining parameters. This fast and easy-to-use online tool illustrates the fundamental relationship between voltage, current, and resistance, making it essential for circuit design, troubleshooting, and electronics learning.
Op-Amp Voltage and Gain Calculator
The Op Amp Voltage and Gain Calculator is an easy-to-use tool for analyzing operational amplifier circuits. It calculates the output voltage, inverting gain, and non-inverting gain based on the input parameters. Simply enter the values of V1, V2, Vp, Vn, and the resistor values R1, R2, R3, and R4, and the calculator will instantly provide accurate results. This tool is suitable for both professional engineers and beginners learning op amp circuit design.
Switching Regulator Design Calculator
The Switching Regulator Design Calculator is an online tool for designing switch-mode voltage regulators. It allows you to calculate key parameters such as duty cycle, inductor value, current levels, and diode power dissipation. With these calculated results, you can efficiently design and optimize your own DIY switching regulator circuits.
AIChipLink – Your Trusted Electronic Components Distributor
12.28 M
Listed Part Number3,000+
Leading Manufacturers4.9 M
In-stock SKU15,000+
Warehouse Area(㎡)









