

Renesas ISL6614CBZ-T
Manufacturer No:
ISL6614CBZ-T
Manufacturer:
Package:
SOIC
Description:
Active EAR99 Gate Drivers ICs 4 SOIC
Quantity:
Delivery:




Payment:







In Stock :Available
Price not displayed? Please send an RFQ, and we will respond immediately.
ISL6614CBZ-T information
Renesas ISL6614CBZ-T technical specifications, attributes, parameters and parts with similar specifications to Renesas ISL6614CBZ-T.
- Type
- Parameter
- Mount
- Surface Mount
- Package / Case
- SOIC
- Published
- 1999
- JESD-609 Code
- e3
- Pbfree Code
- yes
- Part Status
- Active
- Moisture Sensitivity Level (MSL)
- 3 (168 Hours)
- Number of Terminations
- 14
- ECCN Code
- EAR99
- Terminal Finish
- Matte Tin (Sn) - annealed
- Max Operating Temperature
- 85°C
- Min Operating Temperature
- 0°C
- Subcategory
- MOSFET Drivers
- Terminal Position
- DUAL
- Terminal Form
- GULL WING
- Peak Reflow Temperature (Cel)
- 260
- Number of Functions
- 2
- Supply Voltage
- 12V
- Terminal Pitch
- 1.27mm
- Time@Peak Reflow Temperature-Max (s)
- 40
- Pin Count
- 14
- Qualification Status
- Not Qualified
- Max Output Current
- 3A
- Power Supplies
- 12V
- Max Supply Voltage
- 13.2V
- Min Supply Voltage
- 10.8V
- Power Dissipation-Max
- 1W
- Operating Supply Current
- 7.1mA
- Current - Output
- 3A
- Rise Time
- 26ns
- Fall Time (Typ)
- 18 ns
- Interface IC Type
- HALF BRIDGE BASED MOSFET DRIVER
- Number of Drivers
- 4
- Output Peak Current Limit-Nom
- 3A
- High Side Driver
- YES
- Length
- 8.65mm
- Height Seated (Max)
- 1.75mm
- Width
- 3.9mm
- RoHS Status
- RoHS Compliant
- Lead Free
- Lead Free
Download datasheets and manufacturer documentation for Renesas ISL6614CBZ-T.
Datasheets:
ISL6614CBZ-T Overview
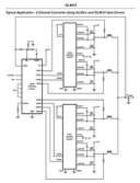
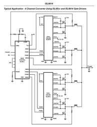
The SOIC package provides greater flexibility.Gate drivers is configured wGate driversh 4 drivers.Initially, the configuration is composed of 14 terminations.Mounting the device requires Surface Mount.A supply voltage of 12V is required for operation.The interface IC of the device is HALF BRIDGE BASED MOSFET DRIVER.Mosfet driver is possible for the output current to be as low as 3A.The subcategory of MOSFET Drivers contains a wide variety of useful electronic components.A total of 14 pins are available for component connections.Temperatures greater than 85°C are not allowed.Mosfet gate drivers is permissible to operate at a temperature of 0°C.With its power supplies of 12V, it solves the problems of power supply for a variety of applications.In order for the device to operate, the supply voltage must be 13.2V.Its minimum operating voltage is 10.8V.3A is the output current.Powered by 7.1mA volts, it operates on a constant current.
ISL6614CBZ-T Features
4 drivers
ISL6614CBZ-T Applications
There are a lot of Intersil (Renesas Electronics America)
ISL6614CBZ-T gate drivers applications.
- A/D drivers
- Line drivers
- Portable computers
- High-speed communications
- RGB applications
- Broadcast equipment
- Active filtering
- Head-up and Head mounted displays
- High current laser/LED systems
- LCD/LCoS/DLP portable and embedded pico projectors
User Guide
Please verify all part numbers, quantities, and packaging preferences before placing your order. If substitutions are acceptable, please indicate this clearly. For time-sensitive projects, confirm estimated delivery dates and stock availability in advance. Once submitted, changes or cancellations may not be possible, especially for items marked as non-cancellable/non-returnable (NCNR). For international shipments, please ensure all import documentation is complete and accurate to avoid delays.
MEANS OF PAYMENTFor your convenience, we accept multiple payment methods in USD, including PayPal, Credit Card, and Wire Transfer. Net terms may be available for qualified customers upon approval.
RFQ (REQUEST FOR QUOTATIONS)Please ensure the part numbers and quantities are accurate and complete when submitting your RFQ.
Provide target prices and acceptable alternatives, if any, to speed up the quotation process.
Quotations are subject to stock availability and may vary with market conditions. Prices and lead times are not guaranteed until a purchase order is confirmed. Ensure your contact details are correct to avoid delays in response.

Step1:Prepare product

Step2:Desiccant Protection

Step3:Vacuum Packaging

Step4:Individual Package

Step5:Anti-collision Filling

Step6:Packaging Box
1. Shipping starts at $40, but some countries will exceed $40. For example (South Africa, Brazil, India, Pakistan, Israel, etc.).
2. Some specific products need to reach the minimum order quantity.
3. It may cost additional remote fees for delivery if you are in a remote area.
Currently, our products are shipped through DHL, FedEx, SF, and UPS.
DELIVERY TIME1. Once the goods are shipped, estimated delivery time depends on the shipping methods you chose: FedEx International, 5-7 business days.
2. For in-stock parts, orders normally could be shipped out within 1-2days.
ISL6614CBZ-T Relevant information
The following parts are popular search parts in Integrated Circuits (ICs).
AIChipLink – Your Trusted Electronic Components Distributor
12.28 M
Listed Part Number3,000+
Leading Manufacturers4.9 M
In-stock SKU15,000+
Warehouse Area(㎡)

.png&w=256&q=75)





