

Renesas ISL6261CRZ-T
Manufacturer No:
ISL6261CRZ-T
Manufacturer:
Package:
QFN
Description:
1.5V 260 Cel QUAD Specialized Voltage Regulator 40 Pins 40 Terminations QFN
Quantity:
Delivery:




Payment:







In Stock :Available
Price not displayed? Please send an RFQ, and we will respond immediately.
ISL6261CRZ-T information
Renesas ISL6261CRZ-T technical specifications, attributes, parameters and parts with similar specifications to Renesas ISL6261CRZ-T.
- Type
- Parameter
- Factory Lead Time
- 5 Weeks
- Mount
- Surface Mount
- Package / Case
- QFN
- Number of Pins
- 40
- Packaging
- Tape & Reel (TR)
- Published
- 2005
- JESD-609 Code
- e3
- Part Status
- Active
- Moisture Sensitivity Level (MSL)
- 3 (168 Hours)
- Number of Terminations
- 40
- ECCN Code
- EAR99
- Terminal Finish
- Matte Tin (Sn) - annealed
- Max Operating Temperature
- 100°C
- Min Operating Temperature
- -10°C
- Subcategory
- Switching Regulator or Controllers
- Terminal Position
- QUAD
- Peak Reflow Temperature (Cel)
- 260
- Number of Functions
- 1
- Terminal Pitch
- 0.5mm
- Time@Peak Reflow Temperature-Max (s)
- 30
- Pin Count
- 40
- Number of Outputs
- 1
- Operating Supply Voltage
- 5.25V
- Input Voltage-Nom
- 5V
- Analog IC - Other Type
- SWITCHING CONTROLLER
- Current - Output
- 4A
- Voltage - Output
- 1.5V
- Input Voltage (Min)
- 4.75V
- Control Mode
- CURRENT-MODE
- Control Technique
- HYSTERETIC CURRENT MODE
- Switcher Configuration
- PUSH-PULL
- Switching Frequency-Max
- 500kHz
- Length
- 6mm
- Width
- 6mm
- Radiation Hardening
- No
- RoHS Status
- RoHS Compliant
Download datasheets and manufacturer documentation for Renesas ISL6261CRZ-T.
Datasheets:
ISL6261CRZ-T Overview
There are 1 outputs supported by the voltage regulator. Transport is made easy with the package of QFN. Currently, Tape & Reel (TR) packages are available for shipping. Volatge output for this voltage controller is 1.5V. It contains terminals with the number 40. The part has received praise for being a SWITCHING CONTROLLER voltage regulator. Initially, the pinout of the alternator regulator begins with 40 pins. Surface Mount is there for mounting on a PCB or another board. There are 40 pins on the power supply regulator. The AC voltage regulator and other Switching Regulator or Controllers play an important role in the industry. It cannot be operated at temperatures below -10°C. In general, temperatures higher than 100°Care not recommended. It is necessary to have an operating supply voltage of 5.25V for normal operation.
ISL6261CRZ-T Features
SWITCHING CONTROLLER analog IC
Supply voltage: 5.25V
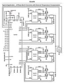
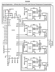
ISL6261CRZ-T Applications
There are a lot of Intersil (Renesas Electronics America)
ISL6261CRZ-T Specialized Voltage Regulators applications.
- DDR Vooo and V? Voltage Generation
- PC Dual Power Supply
- Server DDR Power
- Desktop Computer
- Graphics Cards
- Cell Phones
- Wireless Modems
- PCS Phones
- Two-Way Pagers
- PHS Phones
User Guide
Please verify all part numbers, quantities, and packaging preferences before placing your order. If substitutions are acceptable, please indicate this clearly. For time-sensitive projects, confirm estimated delivery dates and stock availability in advance. Once submitted, changes or cancellations may not be possible, especially for items marked as non-cancellable/non-returnable (NCNR). For international shipments, please ensure all import documentation is complete and accurate to avoid delays.
MEANS OF PAYMENTFor your convenience, we accept multiple payment methods in USD, including PayPal, Credit Card, and Wire Transfer. Net terms may be available for qualified customers upon approval.
RFQ (REQUEST FOR QUOTATIONS)Please ensure the part numbers and quantities are accurate and complete when submitting your RFQ.
Provide target prices and acceptable alternatives, if any, to speed up the quotation process.
Quotations are subject to stock availability and may vary with market conditions. Prices and lead times are not guaranteed until a purchase order is confirmed. Ensure your contact details are correct to avoid delays in response.

Step1:Prepare product

Step2:Desiccant Protection

Step3:Vacuum Packaging

Step4:Individual Package

Step5:Anti-collision Filling

Step6:Packaging Box
1. Shipping starts at $40, but some countries will exceed $40. For example (South Africa, Brazil, India, Pakistan, Israel, etc.).
2. Some specific products need to reach the minimum order quantity.
3. It may cost additional remote fees for delivery if you are in a remote area.
Currently, our products are shipped through DHL, FedEx, SF, and UPS.
DELIVERY TIME1. Once the goods are shipped, estimated delivery time depends on the shipping methods you chose: FedEx International, 5-7 business days.
2. For in-stock parts, orders normally could be shipped out within 1-2days.
ISL6261CRZ-T Relevant information
The following parts are popular search parts in Integrated Circuits (ICs).
AIChipLink – Your Trusted Electronic Components Distributor
12.28 M
Listed Part Number3,000+
Leading Manufacturers4.9 M
In-stock SKU15,000+
Warehouse Area(㎡)








